OEM ЗАПЧАСТИ

  info@automotohub.ru   8 (916) 294-84-77
  О Компании   Оплата и Доставка   Помощь   Обратная связь

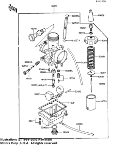
Запчасти для мотоциклов Kawasaki KX60

Год: 1983  •  Код модели: KX60-A1  •  Объем двигателя: 60
Запчасти для мотоциклов Kawasaki KX60
{modalWnd}