OEM ЗАПЧАСТИ

  info@automotohub.ru   8 (916) 294-84-77
  О Компании   Оплата и Доставка   Помощь   Обратная связь

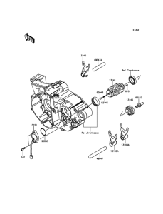
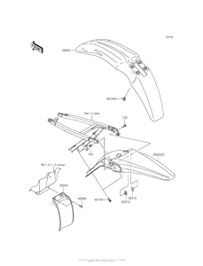
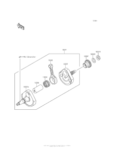
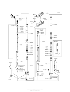
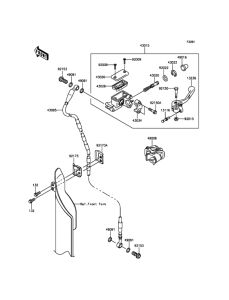
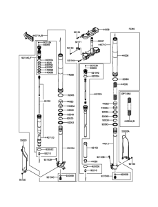
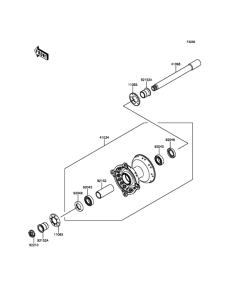
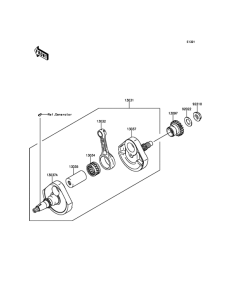
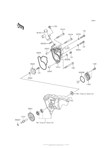
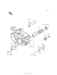
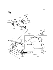
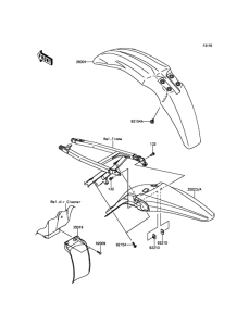
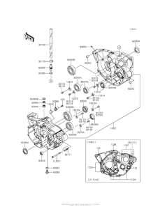
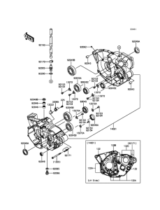
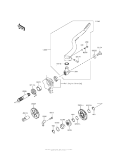
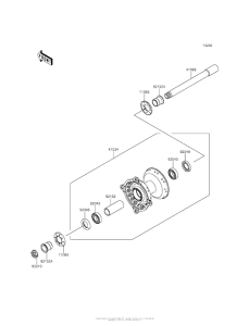
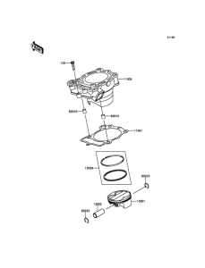
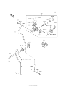
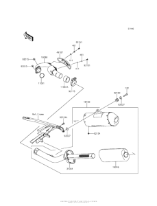
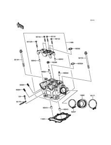
Запчасти для мотоциклов Kawasaki KX250F

Год: 2015  •  Код модели: KX250ZFF  •  Объем двигателя: 250
Запчасти для мотоциклов Kawasaki  KX250F
Выбирайте узел вашей техники:


{modalWnd}