OEM ЗАПЧАСТИ

  info@automotohub.ru   8 (916) 294-84-77
  О Компании   Оплата и Доставка   Помощь   Обратная связь

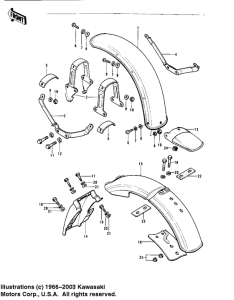
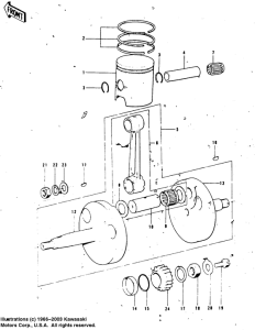
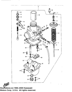
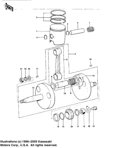
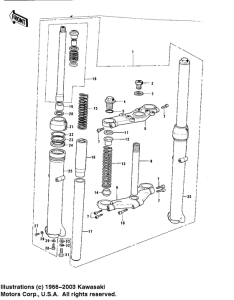
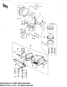
Запчасти для мотоциклов Kawasaki KT250

Год: 1975  •  Код модели: KT250-A1  •  Объем двигателя: 250
Запчасти для мотоциклов Kawasaki KT250
{modalWnd}