OEM ЗАПЧАСТИ

  info@automotohub.ru   8 (916) 294-84-77
  О Компании   Оплата и Доставка   Помощь   Обратная связь

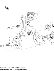
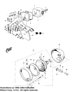
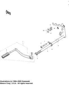
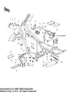
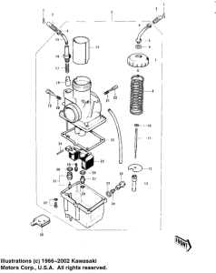
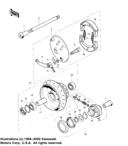
Запчасти для мотоциклов Kawasaki KS125

Год: 1974  •  Код модели: KS125  •  Объем двигателя: 125
Запчасти для мотоциклов Kawasaki KS125
{modalWnd}