OEM ЗАПЧАСТИ

  info@automotohub.ru   8 (916) 294-84-77
  О Компании   Оплата и Доставка   Помощь   Обратная связь

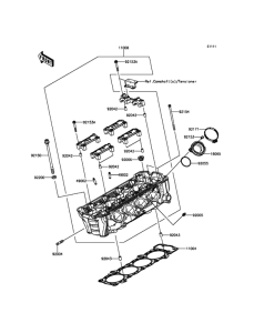
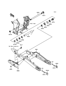
Запчасти для мотоциклов Kawasaki KLZ1000 Versys 1000 LT

Год: 2016  •  Код модели: KLZ1000BGF  •  Объем двигателя: 1000
Запчасти для мотоциклов Kawasaki KLZ1000 Versys 1000 LT
Выбирайте узел вашей техники:


{modalWnd}