OEM ЗАПЧАСТИ

  info@automotohub.ru   8 (916) 294-84-77
  О Компании   Оплата и Доставка   Помощь   Обратная связь

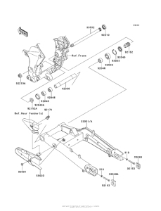
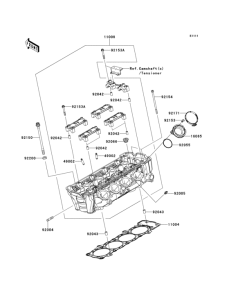
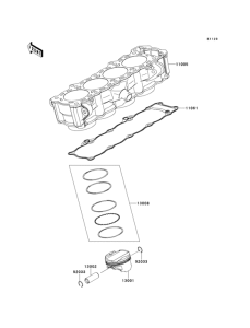
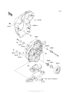
Запчасти для мотоциклов Kawasaki KLZ1000 Versys 1000

Год: 2014  •  Код модели: KLZ1000AEF  •  Объем двигателя: 1000
Запчасти для мотоциклов Kawasaki KLZ1000 Versys 1000
Выбирайте узел вашей техники:


{modalWnd}