OEM ЗАПЧАСТИ

  info@automotohub.ru   8 (916) 294-84-77
  О Компании   Оплата и Доставка   Помощь   Обратная связь

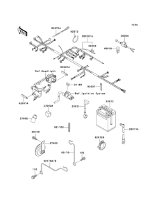
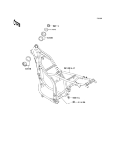
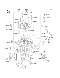
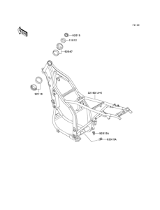
Запчасти для мотоциклов Kawasaki KLX650 Motard

Год: 1996  •  Код модели: KLX650-C4  •  Объем двигателя: 650
Запчасти для мотоциклов Kawasaki  KLX650 Motard
Выбирайте узел вашей техники:


{modalWnd}