OEM ЗАПЧАСТИ

  info@automotohub.ru   8 (916) 294-84-77
  О Компании   Оплата и Доставка   Помощь   Обратная связь

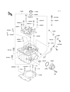
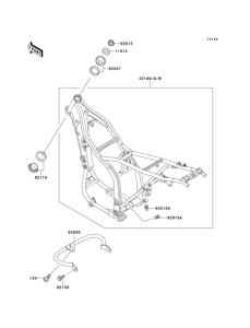
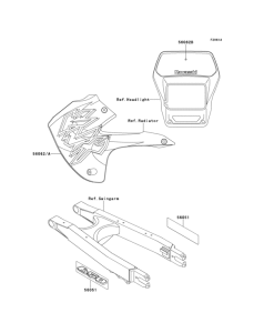
Запчасти для мотоциклов Kawasaki KLX650

Год: 1999  •  Код модели: KLX650-B2  •  Объем двигателя: 650
Запчасти для мотоциклов Kawasaki  KLX650
{modalWnd}