OEM ЗАПЧАСТИ

  info@automotohub.ru   8 (916) 294-84-77
  О Компании   Оплата и Доставка   Помощь   Обратная связь

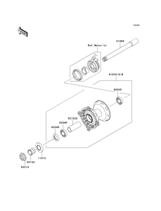
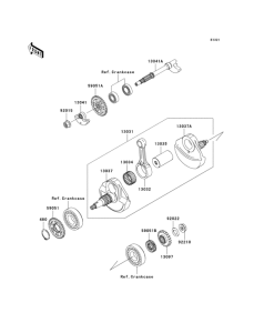
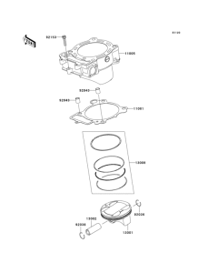
Запчасти для мотоциклов Kawasaki KLX450R

Год: 2008  •  Код модели: KLX450A8F  •  Объем двигателя: 450
Запчасти для мотоциклов Kawasaki  KLX450R
Выбирайте узел вашей техники:


{modalWnd}