OEM ЗАПЧАСТИ

  info@automotohub.ru   8 (916) 294-84-77
  О Компании   Оплата и Доставка   Помощь   Обратная связь

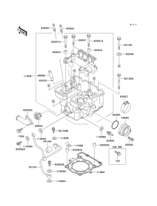
Запчасти для мотоциклов Kawasaki KLX250SR

Год: 1995  •  Код модели: KLX250-E3  •  Объем двигателя: 250
Запчасти для мотоциклов Kawasaki  KLX250SR
Выбирайте узел вашей техники:


{modalWnd}