OEM ЗАПЧАСТИ

  info@automotohub.ru   8 (916) 294-84-77
  О Компании   Оплата и Доставка   Помощь   Обратная связь

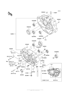
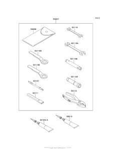
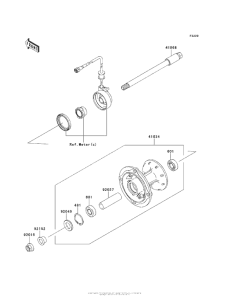
Запчасти для мотоциклов Kawasaki KLX250SF

Год: 2010  •  Код модели: KLX250WAF  •  Объем двигателя: 250
Запчасти для мотоциклов Kawasaki  KLX250SF
Выбирайте узел вашей техники:


{modalWnd}