OEM ЗАПЧАСТИ

  info@automotohub.ru   8 (916) 294-84-77
  О Компании   Оплата и Доставка   Помощь   Обратная связь

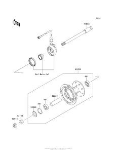
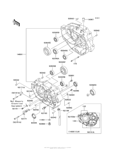
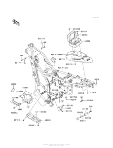
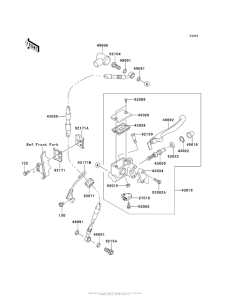
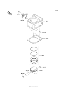
Запчасти для мотоциклов Kawasaki KLX250S

Год: 2014  •  Код модели: KLX250TEF  •  Объем двигателя: 250
Запчасти для мотоциклов Kawasaki  KLX250S
Выбирайте узел вашей техники:


{modalWnd}