OEM ЗАПЧАСТИ

  info@automotohub.ru   8 (916) 294-84-77
  О Компании   Оплата и Доставка   Помощь   Обратная связь

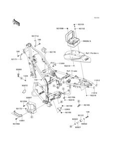
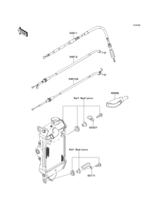
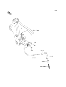
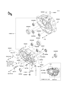
Запчасти для мотоциклов Kawasaki KLX250 D-Tracker X

Год: 2011  •  Код модели: KLX250VBF  •  Объем двигателя: 250
Запчасти для мотоциклов Kawasaki KLX250 D-Tracker X
Выбирайте узел вашей техники:


{modalWnd}