OEM ЗАПЧАСТИ

  info@automotohub.ru   8 (916) 294-84-77
  О Компании   Оплата и Доставка   Помощь   Обратная связь

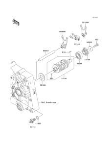
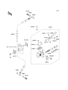
Запчасти для мотоциклов Kawasaki KLX140

Год: 2012  •  Код модели: KLX140ACF  •  Объем двигателя: 140
Запчасти для мотоциклов Kawasaki  KLX140
Выбирайте узел вашей техники:


{modalWnd}