OEM ЗАПЧАСТИ

  info@automotohub.ru   8 (916) 294-84-77
  О Компании   Оплата и Доставка   Помощь   Обратная связь

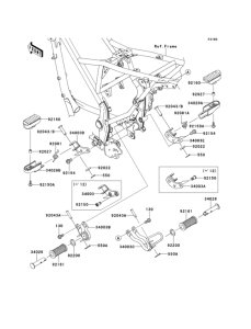
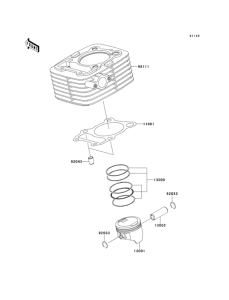
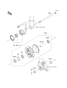
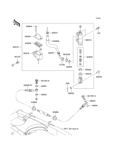
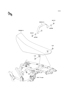
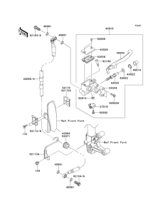
Запчасти для мотоциклов Kawasaki KLX125 D-Tracker

Год: 2010  •  Код модели: KLX125DAF  •  Объем двигателя: 125
Запчасти для мотоциклов Kawasaki KLX125 D-Tracker
Выбирайте узел вашей техники:


{modalWnd}