OEM ЗАПЧАСТИ

  info@automotohub.ru   8 (916) 294-84-77
  О Компании   Оплата и Доставка   Помощь   Обратная связь

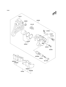
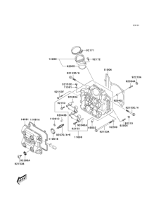
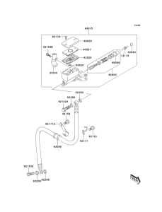
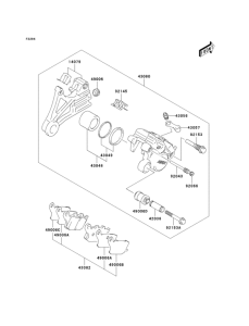
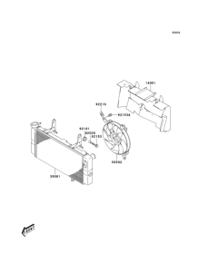
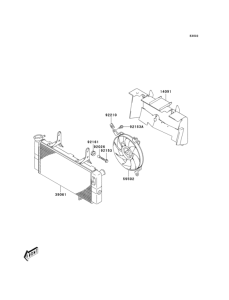
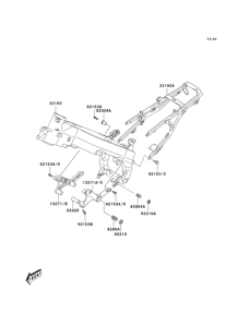
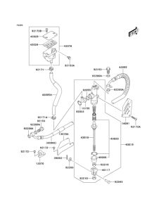
Запчасти для мотоциклов Kawasaki LV1000

Год: 2005  •  Код модели: LV1000-A2H  •  Объем двигателя: 1000
Запчасти для мотоциклов Kawasaki LV1000
Выбирайте узел вашей техники:


{modalWnd}