OEM ЗАПЧАСТИ

  info@automotohub.ru   8 (916) 294-84-77
  О Компании   Оплата и Доставка   Помощь   Обратная связь

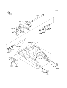
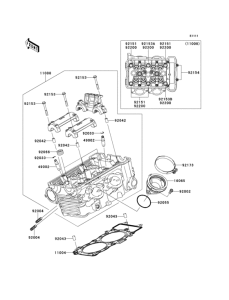
Запчасти для мотоциклов Kawasaki KLE650 Versys 650 ABS

Год: 2014  •  Код модели: KLE650DEF  •  Объем двигателя: 650
Запчасти для мотоциклов Kawasaki KLE650 Versys 650 ABS
Выбирайте узел вашей техники:


{modalWnd}