OEM ЗАПЧАСТИ

  info@automotohub.ru   8 (916) 294-84-77
  О Компании   Оплата и Доставка   Помощь   Обратная связь

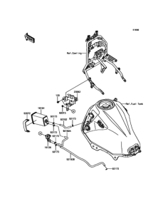
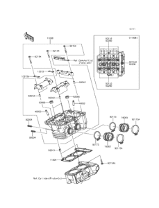
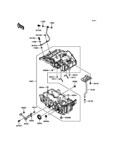
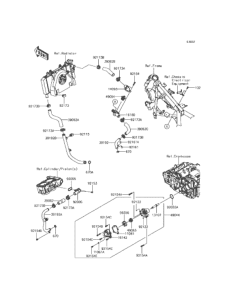
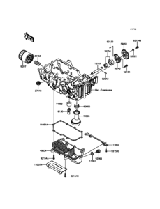
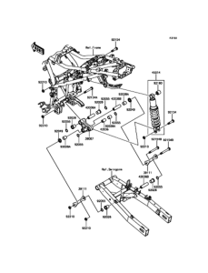
Запчасти для мотоциклов Kawasaki KLE250 Versys-X 250 ABS

Год: 2017  •  Код модели: KLE250BHF  •  Объем двигателя: 250
Запчасти для мотоциклов Kawasaki KLE250 Versys-X 250 ABS
Выбирайте узел вашей техники:


{modalWnd}