OEM ЗАПЧАСТИ

  info@automotohub.ru   8 (916) 294-84-77
  О Компании   Оплата и Доставка   Помощь   Обратная связь

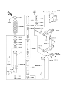
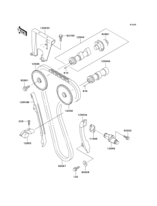
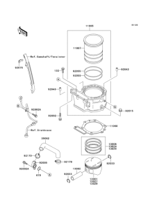
Запчасти для мотоциклов Kawasaki KL650 KLR650

Год: 2004  •  Код модели: KL650-A18  •  Объем двигателя: 650
Запчасти для мотоциклов Kawasaki KL650 KLR650
Выбирайте узел вашей техники:


{modalWnd}