OEM ЗАПЧАСТИ

  info@automotohub.ru   8 (916) 294-84-77
  О Компании   Оплата и Доставка   Помощь   Обратная связь

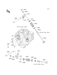
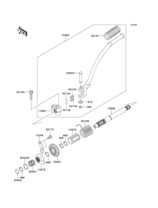
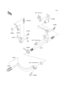
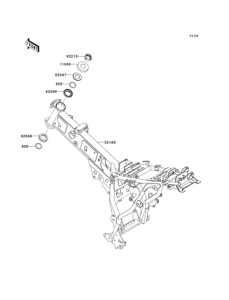
Запчасти для мотоциклов Kawasaki KL110 KSR

Год: 2013  •  Код модели: KL110DDF  •  Объем двигателя: 110
Запчасти для мотоциклов Kawasaki KL110 KSR
{modalWnd}