OEM ЗАПЧАСТИ

  info@automotohub.ru   8 (916) 294-84-77
  О Компании   Оплата и Доставка   Помощь   Обратная связь

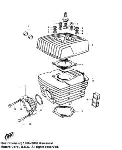
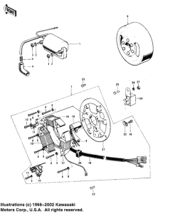
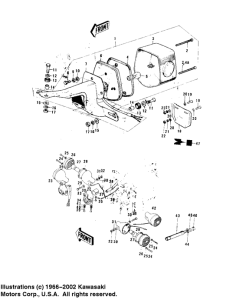
Запчасти для мотоциклов Kawasaki KH100

Год: 1976  •  Код модели: KH100-B7  •  Объем двигателя: 100
Запчасти для мотоциклов Kawasaki KH100
{modalWnd}