OEM ЗАПЧАСТИ

  info@automotohub.ru   8 (916) 294-84-77
  О Компании   Оплата и Доставка   Помощь   Обратная связь

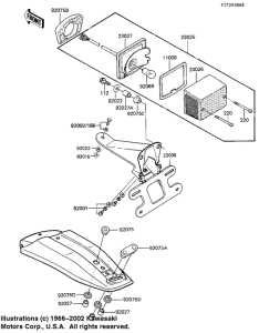
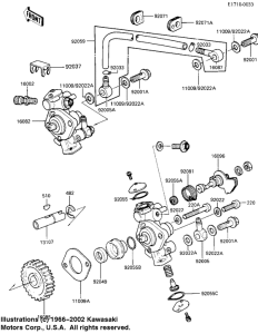
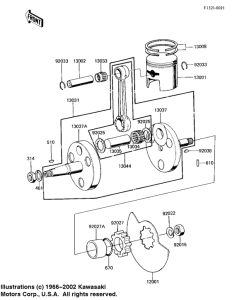
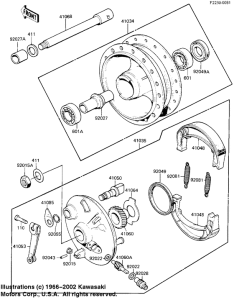
Запчасти для мотоциклов Kawasaki KE100

Год: 1984  •  Код модели: KE100-B3  •  Объем двигателя: 100
Запчасти для мотоциклов Kawasaki KE100
{modalWnd}