OEM ЗАПЧАСТИ

  info@automotohub.ru   8 (916) 294-84-77
  О Компании   Оплата и Доставка   Помощь   Обратная связь

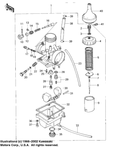
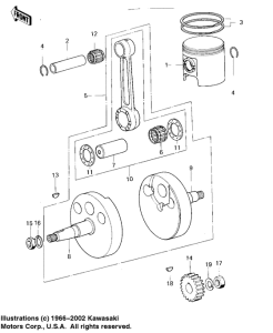
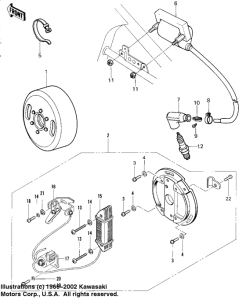
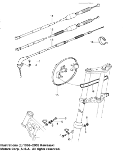
Запчасти для мотоциклов Kawasaki KDX80

Год: 1980  •  Код модели: KDX80-A1  •  Объем двигателя: 80
Запчасти для мотоциклов Kawasaki KDX80
{modalWnd}