OEM ЗАПЧАСТИ

  info@automotohub.ru   8 (916) 294-84-77
  О Компании   Оплата и Доставка   Помощь   Обратная связь

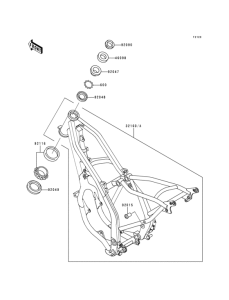
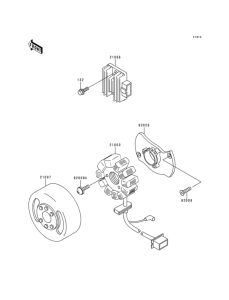
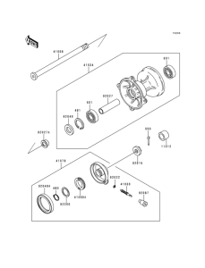
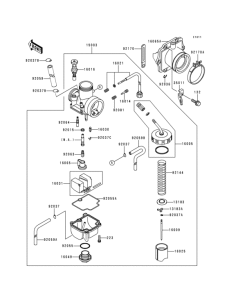
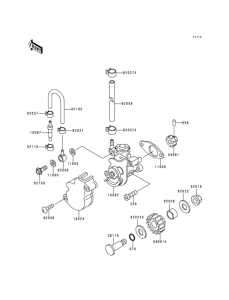
Запчасти для мотоциклов Kawasaki KDX125 KDX125SR

Год: 1999  •  Код модели: KDX125-B6  •  Объем двигателя: 125
Запчасти для мотоциклов Kawasaki KDX125 KDX125SR
Выбирайте узел вашей техники:


{modalWnd}