OEM ЗАПЧАСТИ

  info@automotohub.ru   8 (916) 294-84-77
  О Компании   Оплата и Доставка   Помощь   Обратная связь

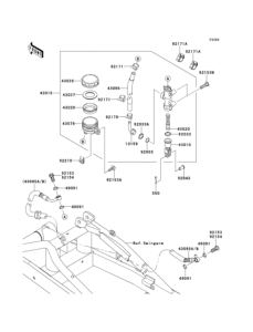
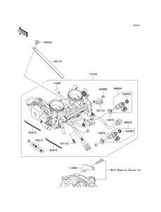
Запчасти для мотоциклов Kawasaki EX400 Ninja 400R

Год: 2012  •  Код модели: EX400CCF  •  Объем двигателя: 400
Запчасти для мотоциклов Kawasaki EX400 Ninja 400R
Выбирайте узел вашей техники:


{modalWnd}