OEM ЗАПЧАСТИ

  info@automotohub.ru   8 (916) 294-84-77
  О Компании   Оплата и Доставка   Помощь   Обратная связь

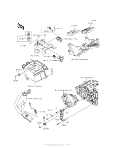
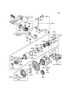
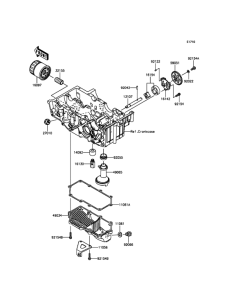
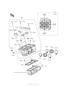
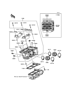
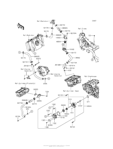
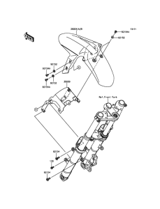
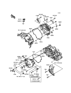
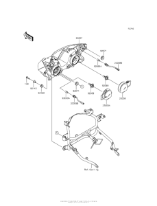
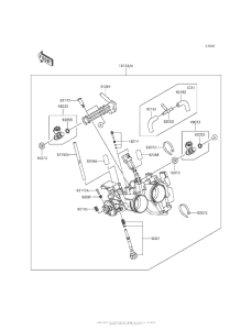
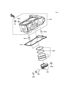
Запчасти для мотоциклов Kawasaki EX300 Ninja 300

Год: 2015  •  Код модели: EX300AFF  •  Объем двигателя: 300
Запчасти для мотоциклов Kawasaki EX300 Ninja 300
Выбирайте узел вашей техники:


{modalWnd}