OEM ЗАПЧАСТИ

  info@automotohub.ru   8 (916) 294-84-77
  О Компании   Оплата и Доставка   Помощь   Обратная связь

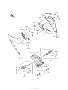
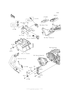
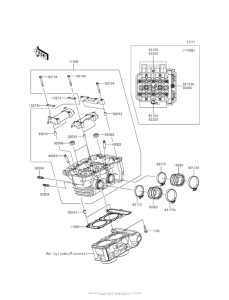
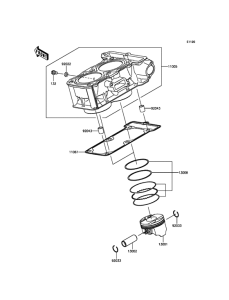
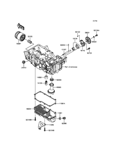
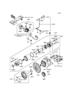
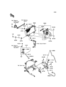
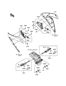
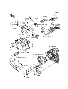
Запчасти для мотоциклов Kawasaki EX300 Ninja 300 SE

Год: 2015  •  Код модели: EX300AFSA  •  Объем двигателя: 300
Запчасти для мотоциклов Kawasaki EX300 Ninja 300 SE
Выбирайте узел вашей техники:


{modalWnd}