OEM ЗАПЧАСТИ

  info@automotohub.ru   8 (916) 294-84-77
  О Компании   Оплата и Доставка   Помощь   Обратная связь

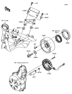
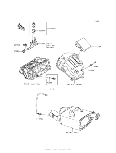
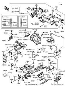
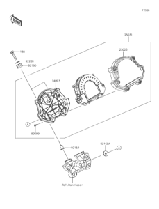
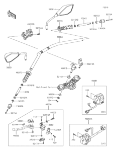
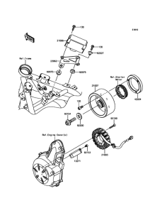
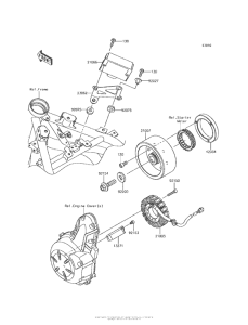
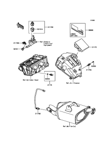
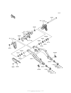
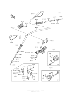
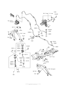
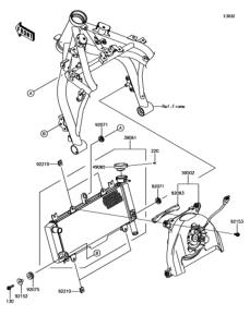
Запчасти для мотоциклов Kawasaki ER650 Z650 ABS

Год: 2017  •  Код модели: ER650HHF  •  Объем двигателя: 650
Запчасти для мотоциклов Kawasaki ER650 Z650 ABS
Выбирайте узел вашей техники:


{modalWnd}