OEM ЗАПЧАСТИ

  info@automotohub.ru   8 (916) 294-84-77
  О Компании   Оплата и Доставка   Помощь   Обратная связь

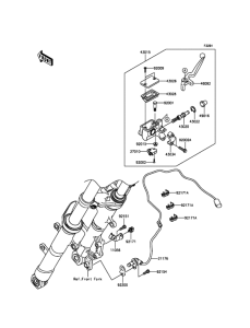
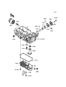
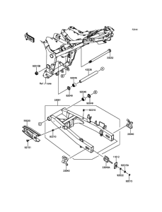
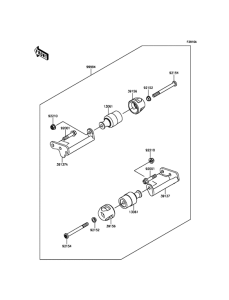
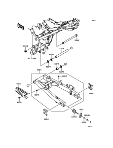
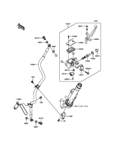
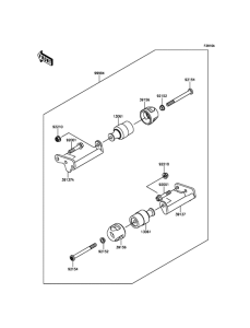
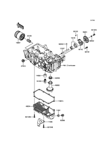
Запчасти для мотоциклов Kawasaki ER300 Z300 ABS

Год: 2015  •  Код модели: ER300BFF  •  Объем двигателя: 300
Запчасти для мотоциклов Kawasaki ER300 Z300 ABS
Выбирайте узел вашей техники:


{modalWnd}