OEM ЗАПЧАСТИ

  info@automotohub.ru   8 (916) 294-84-77
  О Компании   Оплата и Доставка   Помощь   Обратная связь

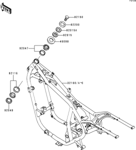
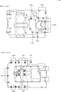
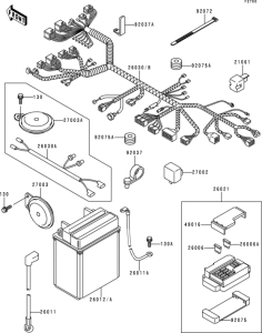
Запчасти для мотоциклов Kawasaki EN500 Vulcan 500 LTD

Год: 1998  •  Код модели: EN500-C3  •  Объем двигателя: 500
Запчасти для мотоциклов Kawasaki EN500 Vulcan 500 LTD
Выбирайте узел вашей техники:


{modalWnd}