OEM ЗАПЧАСТИ

  info@automotohub.ru   8 (916) 294-84-77
  О Компании   Оплата и Доставка   Помощь   Обратная связь

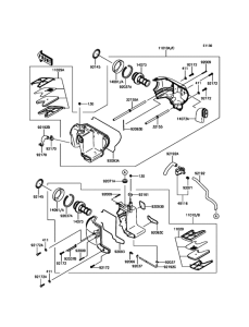
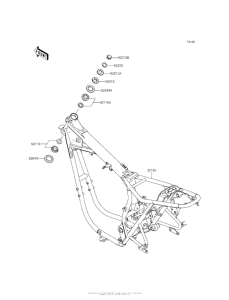
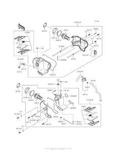
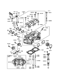
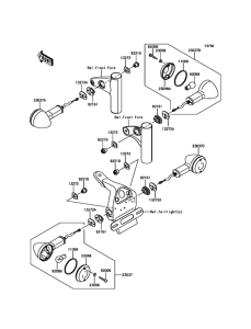
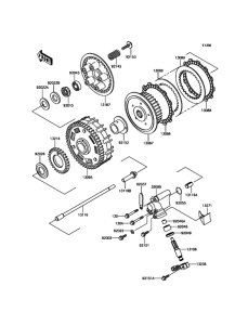
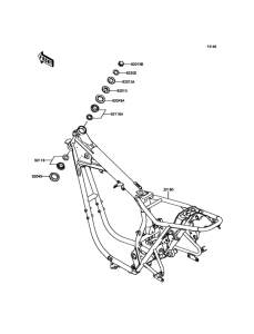
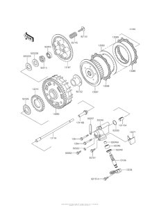
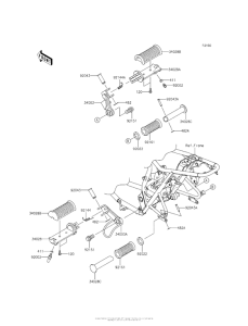
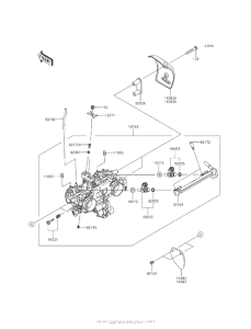
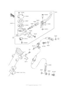
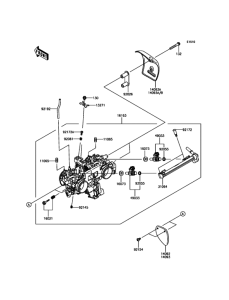
Запчасти для мотоциклов Kawasaki EJ800 W800

Год: 2015  •  Код модели: EJ800AFF  •  Объем двигателя: 800
Запчасти для мотоциклов Kawasaki EJ800 W800
Выбирайте узел вашей техники:


{modalWnd}