OEM ЗАПЧАСТИ

  info@automotohub.ru   8 (916) 294-84-77
  О Компании   Оплата и Доставка   Помощь   Обратная связь

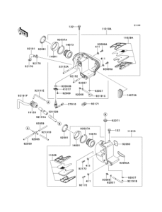
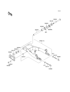
Запчасти для мотоциклов Kawasaki EJ650 W650

Год: 2004  •  Код модели: EJ650-C6  •  Объем двигателя: 650
Запчасти для мотоциклов Kawasaki EJ650 W650
Выбирайте узел вашей техники:


{modalWnd}