OEM ЗАПЧАСТИ

  info@automotohub.ru   8 (916) 294-84-77
  О Компании   Оплата и Доставка   Помощь   Обратная связь

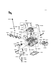
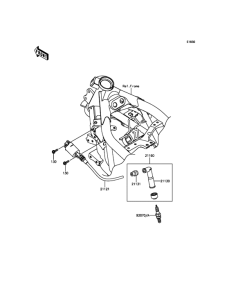
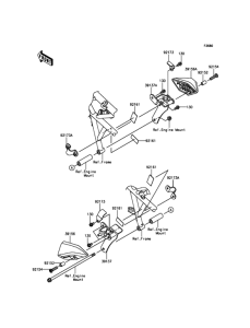
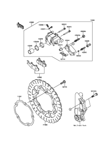
Запчасти для мотоциклов Kawasaki BX250 NINJA 250SL

Год: 2015  •  Код модели: BX250AFSA
Запчасти для мотоциклов Kawasaki BX250 NINJA 250SL
Выбирайте узел вашей техники:


{modalWnd}