OEM ЗАПЧАСТИ

  info@automotohub.ru   8 (916) 294-84-77
  О Компании   Оплата и Доставка   Помощь   Обратная связь

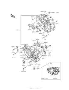
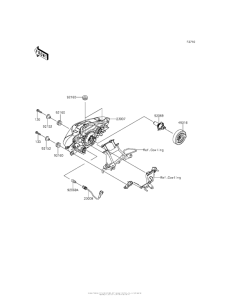
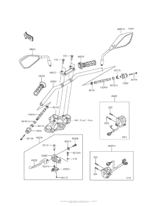
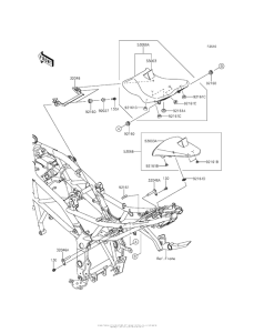
Запчасти для мотоциклов Kawasaki BR250 Z250SL ABS

Год: 2014  •  Код модели: BR250FEF
Запчасти для мотоциклов Kawasaki BR250 Z250SL ABS
Выбирайте узел вашей техники:


{modalWnd}