OEM ЗАПЧАСТИ

  info@automotohub.ru   8 (916) 294-84-77
  О Компании   Оплата и Доставка   Помощь   Обратная связь

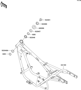
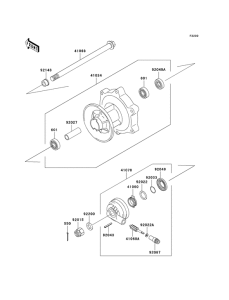
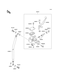
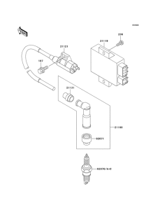
Запчасти для мотоциклов Kawasaki BN125 Eliminator

Год: 2002  •  Код модели: BN125-A5  •  Объем двигателя: 125
Запчасти для мотоциклов Kawasaki BN125 Eliminator
Выбирайте узел вашей техники:


{modalWnd}