OEM ЗАПЧАСТИ

  info@automotohub.ru   8 (916) 294-84-77
  О Компании   Оплата и Доставка   Помощь   Обратная связь

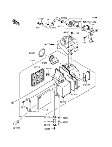
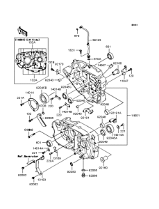
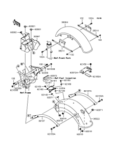
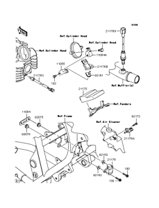
Запчасти для мотоциклов Kawasaki BJ250 Estrella

Год: 2008  •  Код модели: BJ250J8F  •  Объем двигателя: 250
Запчасти для мотоциклов Kawasaki BJ250 Estrella
Выбирайте узел вашей техники:


{modalWnd}