OEM ЗАПЧАСТИ

  info@automotohub.ru   8 (916) 294-84-77
  О Компании   Оплата и Доставка   Помощь   Обратная связь

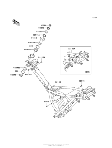
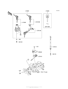
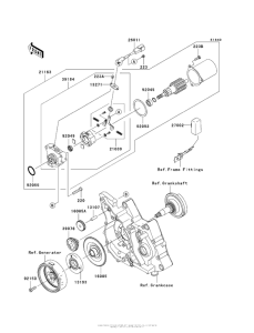
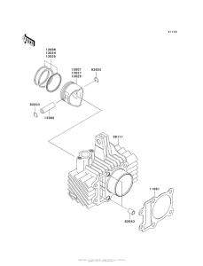
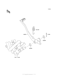
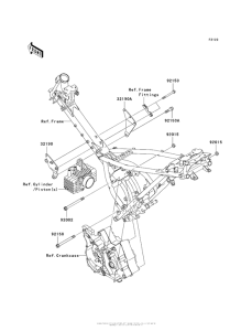
Запчасти для мотоциклов Kawasaki AX125 Fury 125R

Год: 2010  •  Код модели: AX125BAF  •  Объем двигателя: 125
Запчасти для мотоциклов Kawasaki AX125 Fury 125R
{modalWnd}