OEM ЗАПЧАСТИ

  info@automotohub.ru   8 (916) 294-84-77
  О Компании   Оплата и Доставка   Помощь   Обратная связь

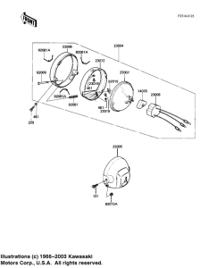
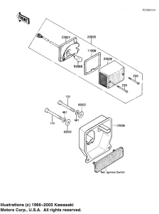
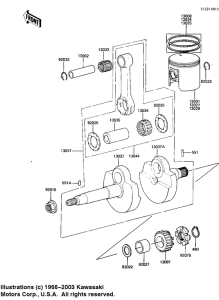
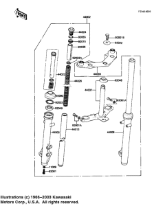
Запчасти для мотоциклов Kawasaki AR50

Год: 1982  •  Код модели: AR50-A1  •  Объем двигателя: 50
Запчасти для мотоциклов Kawasaki AR50
{modalWnd}