OEM ЗАПЧАСТИ

  info@automotohub.ru   8 (916) 294-84-77
  О Компании   Оплата и Доставка   Помощь   Обратная связь

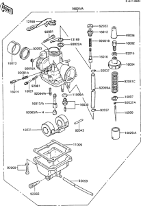
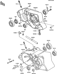
Запчасти для мотоциклов Kawasaki AR50

Год: 1988  •  Код модели: AR50-C6  •  Объем двигателя: 50
Запчасти для мотоциклов Kawasaki AR50
{modalWnd}