OEM ЗАПЧАСТИ

  info@automotohub.ru   8 (916) 294-84-77
  О Компании   Оплата и Доставка   Помощь   Обратная связь

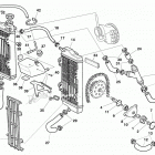
TC-TE 250-450-510-SMR 400-450-510 (2006)

TC-TE 250-450-510-SMR 400-450-510 (2006)
Выбирайте узел вашей техники:


{modalWnd}