OEM ЗАПЧАСТИ

  info@automotohub.ru   8 (916) 294-84-77
  О Компании   Оплата и Доставка   Помощь   Обратная связь

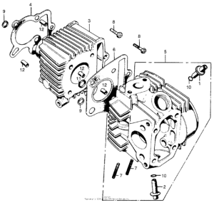
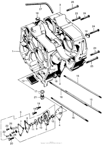
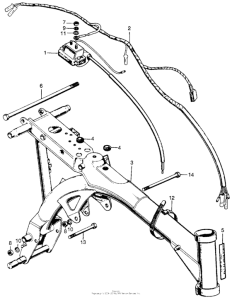
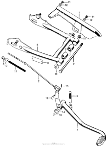
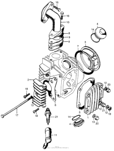
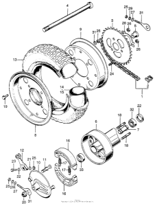
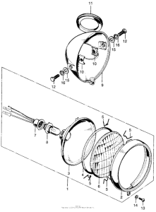
Запчасти для мотоциклов Honda Z50A

  •  Код модели: Z50AK3 A  •  Объем двигателя: 50
Запчасти для мотоциклов Honda Z50A
{modalWnd}