OEM ЗАПЧАСТИ

  info@automotohub.ru   8 (916) 294-84-77
  О Компании   Оплата и Доставка   Помощь   Обратная связь

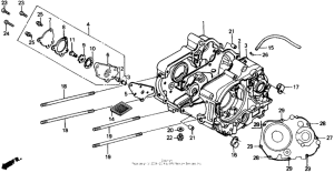
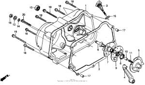
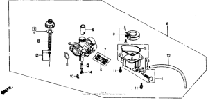
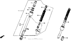
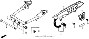
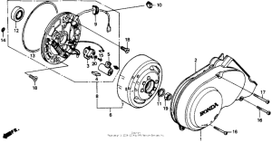
Запчасти для мотоциклов Honda Z50R

Год: 1986  •  Код модели: Z50R A  •  Объем двигателя: 50
Запчасти для мотоциклов Honda Z50R
{modalWnd}