OEM ЗАПЧАСТИ

  info@automotohub.ru   8 (916) 294-84-77
  О Компании   Оплата и Доставка   Помощь   Обратная связь

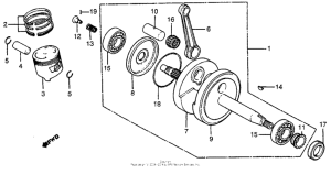
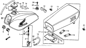
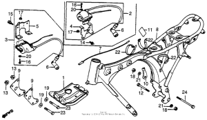
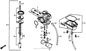
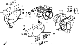
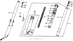
Запчасти для мотоциклов Honda XR80

Год: 1982  •  Код модели: XR80 A  •  Объем двигателя: 80
Запчасти для мотоциклов Honda XR80
{modalWnd}