OEM ЗАПЧАСТИ

  info@automotohub.ru   8 (916) 294-84-77
  О Компании   Оплата и Доставка   Помощь   Обратная связь

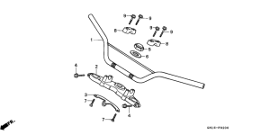
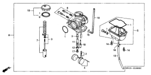
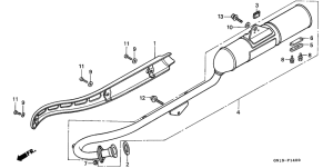
Запчасти для мотоциклов Honda XR80R

Год: 1997  •  Код модели: XR80RV  •  Объем двигателя: 80
Запчасти для мотоциклов Honda XR80R
{modalWnd}