OEM ЗАПЧАСТИ

  info@automotohub.ru   8 (916) 294-84-77
  О Компании   Оплата и Доставка   Помощь   Обратная связь

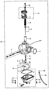
Запчасти для мотоциклов Honda XR75

Год: 1976  •  Код модели: XR75 A  •  Объем двигателя: 75
Запчасти для мотоциклов Honda XR75
{modalWnd}