OEM ЗАПЧАСТИ

  info@automotohub.ru   8 (916) 294-84-77
  О Компании   Оплата и Доставка   Помощь   Обратная связь

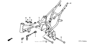
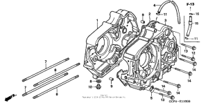
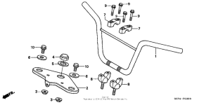
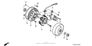
Запчасти для мотоциклов Honda XR70R

Год: 1997  •  Код модели: XR70R A  •  Объем двигателя: 70
Запчасти для мотоциклов Honda XR70R
{modalWnd}