OEM ЗАПЧАСТИ

  info@automotohub.ru   8 (916) 294-84-77
  О Компании   Оплата и Доставка   Помощь   Обратная связь

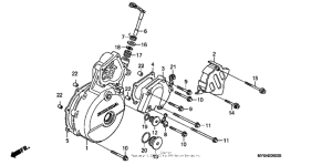
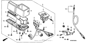
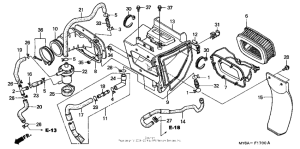
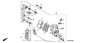
Запчасти для мотоциклов Honda XR650L

Год: 2002  •  Код модели: XR650L AC  •  Объем двигателя: 650
Запчасти для мотоциклов Honda XR650L
Выбирайте узел вашей техники:


{modalWnd}