OEM ЗАПЧАСТИ

  info@automotohub.ru   8 (916) 294-84-77
  О Компании   Оплата и Доставка   Помощь   Обратная связь

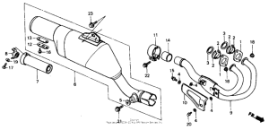
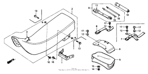
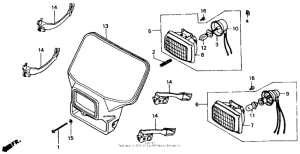
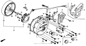
Запчасти для мотоциклов Honda XR600R

Год: 1985  •  Код модели: XR600R A  •  Объем двигателя: 600
Запчасти для мотоциклов Honda XR600R
{modalWnd}