OEM ЗАПЧАСТИ

  info@automotohub.ru   8 (916) 294-84-77
  О Компании   Оплата и Доставка   Помощь   Обратная связь

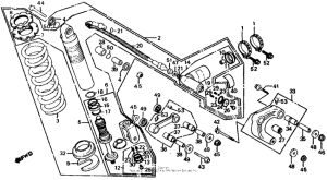
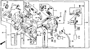
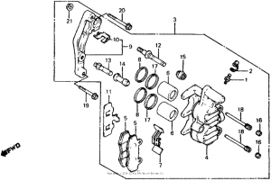
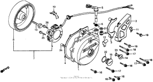
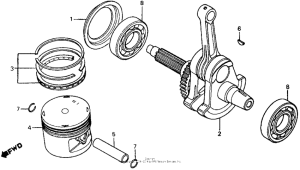
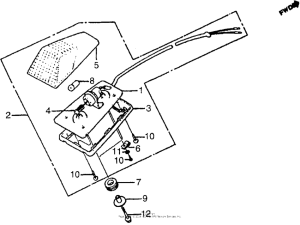
Запчасти для мотоциклов Honda XR500R

Год: 1983  •  Код модели: XR500R A  •  Объем двигателя: 500
Запчасти для мотоциклов Honda XR500R
{modalWnd}