OEM ЗАПЧАСТИ

  info@automotohub.ru   8 (916) 294-84-77
  О Компании   Оплата и Доставка   Помощь   Обратная связь

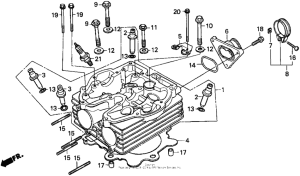
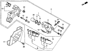
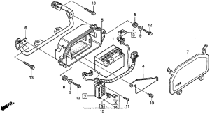
Запчасти для мотоциклов Honda XR250L

Год: 1991  •  Код модели: XR250L AC  •  Объем двигателя: 250
Запчасти для мотоциклов Honda XR250L
{modalWnd}